Combination arrester V50, 3-pole + NPE with FS 320 V

Item no. 5093562 | EAN 4012196398546

320 V
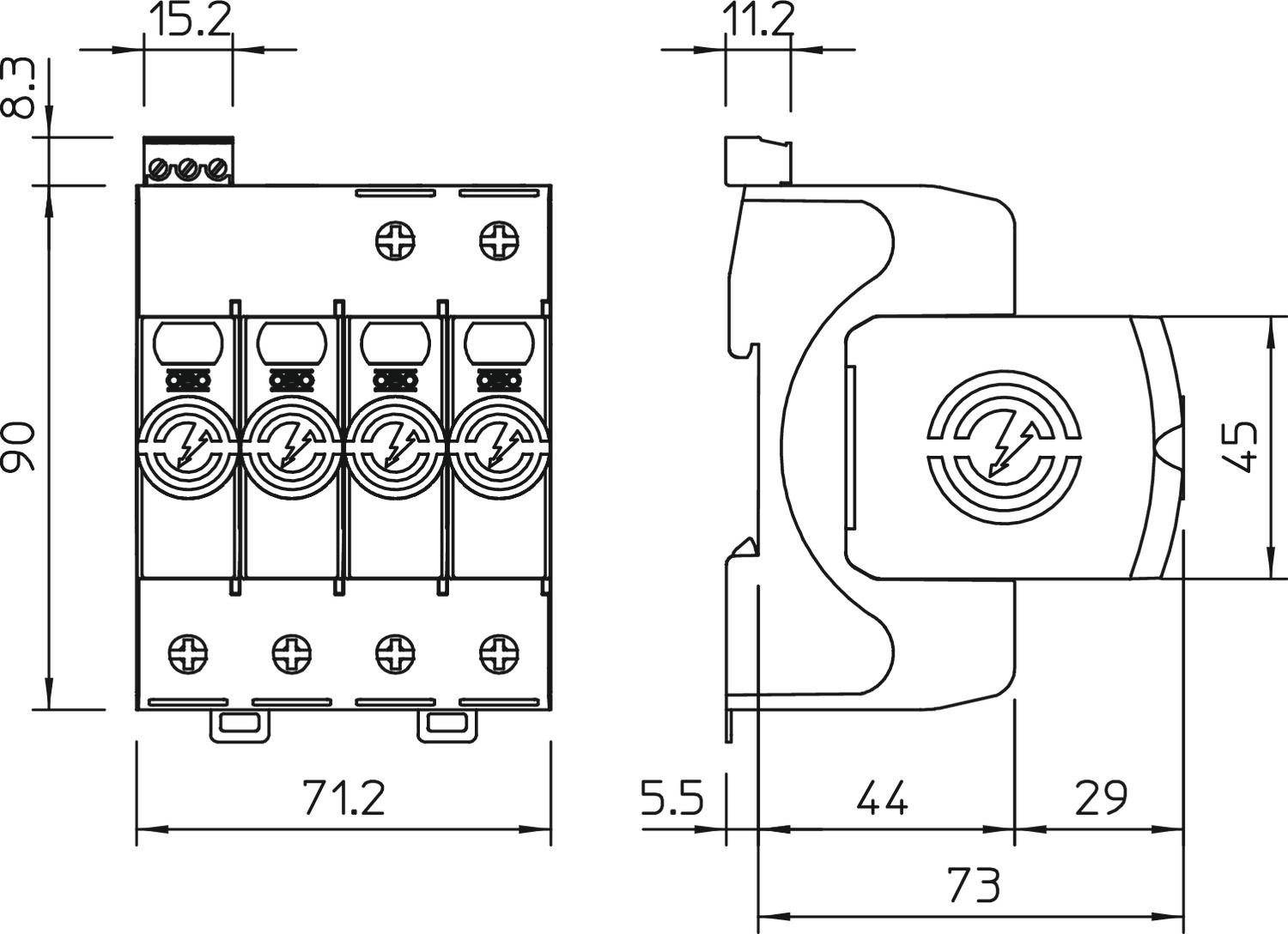
IP20
Product description
Product description
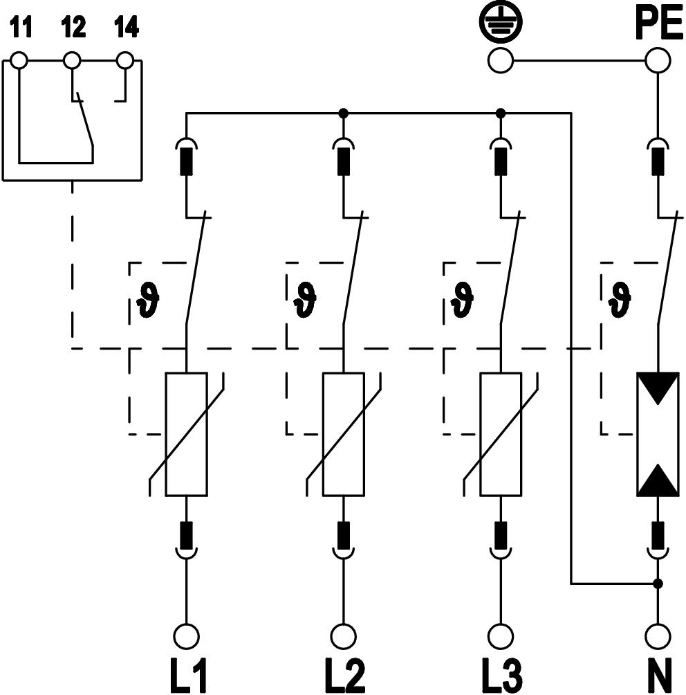
Lightning current combination arrester, type 1+2

• For lightning current equipotential bonding to VDE 0185-305 (IEC 62305)
• Lightning current arresting capacity of 12.5 kA (10/350) per pole and up to 50 kA (10/350) in total
• Modular, plug-in arrester with cut-off unit and visual status display
• Locking mechanism with vibration protection and voltage keying
• Plastic to UL 94 V-0
• The remote signalling (FS) variants have a potential-free changeover contact for remote signalling

Application: Lightning current equipotential bonding for buildings of class III and IV.
* Complete = Plug-in arrester and base
  • KEMA-KEUR, Netherlands
  • Österreichischer Verband für Elektrotechnik, Austria
  • Verband der Elektrotechnik, Elektronik, Informationstechnik e.V., Germany
  • Underwriters Laboratories Inc., USA + CSA, Canada
  • 5-year warranty
  • Communautés Européennes, EC declaration of conformity according to EC directives
  • EurAsian Conformity
  • Regulatory Compliance Mark – Declaration of Conformity for Australia/New Zealand
  • Transition from LPZ 0 to LPZ 2
  • Combination protection device made of type 1 and type 2
  • Installation electrotechnical expertise
  • Remote signalling
  • CO₂ footprint (PCF)
  • Packaging without plastic
  • Packaging made entirely from recycled cardboard
Technical data

Technical data

Approvals VDE, KEMA, UL, ÖVE
Arrester surge current (8/20 µs) [total] 80 kA
Blow-out no
CO2 Footprint (GWP) Cradle-to-Gate 2,353 kg CO2e / 1 Piece
Combined voltage protection level [L-PE] 2,5 kV
Conductor cross-section, flexible (fine-wire), max. 35 mm²
Conductor cross-section, flexible (fine-wire), max. 2 AWG
Conductor cross-section, flexible (fine-wire), min. 1,5 mm²
Conductor cross-section, flexible (fine-wire), min. 16 AWG
Conductor cross-section, rigid (single-wire/multiwire), max. 35 mm²
Conductor cross-section, rigid (single-wire/multiwire), max. 2 AWG
Conductor cross-section, rigid (single-wire/multiwire), min. 16 AWG
Conductor cross-section, rigid (single-wire/multiwire), min. 1,5 mm²
Connection cross-section, FM terminals, max. 1,5 mm²
Connection cross-section, FM terminals, max. 16 AWG
Connection cross-section, FM terminals, min. 21 AWG
Connection cross-section, FM terminals, min. 0,5 mm²
Dimension 320V
FM contacts Changeover
Follow current quenching capacity (eff) [N-PE] 0,1 kA
Housing material surge protection components PA UL 94 V-0
Humidity, max. 95 %
Humidity, min. 5 %
Installation type DIN rail 35 mm
Integrated back-up fuse no
Lightning surge current (10/350 μs) 12,5 kA
Lightning surge current (10/350) 50 kA
Material Polyamide
Max. mains-side overcurrent protection 160 A gL/gG
Maximum back-up fuse 160 A
Maximum continuous voltage (L-N) 320 V
Maximum continuous voltage (N-PE) 255 V
Maximum continuous voltage AC 320 V
Maximum discharge current (8/20 μs) 50 kA
Maximum discharge current (8/20 μs) [L-N] 50 kA
Minimum distance 1,5 mm
Network form Other
Nominal discharge current (8/20 µs) 30 kA
Nominal discharge current (8/20 µs) [L-N] 30 kA
Nominal voltage AC (50/60 Hz) 230 V
Operating temperature, max. 80 °C
Operating temperature, min. -40 °C
Permitted temperature range, max. 80 °C
Permitted temperature range, min. -40 °C
Pole number 4
Pole version 3+N/PE
Protection level [L-N] ≤1,4
Protection rating IP20
Remote signalling yes
Residual voltage [L-N] @ 1 kA 0,9 kV
Residual voltage [L-N] @ 12.5 kA 1,1 kV
Residual voltage [L-N] @ 5 kA 1 kV
Response time <25 ns
Short-circuit resistance for max. mains-side overcurrent protection 50 kA eff
Signalling on device Visual
SPD to EN 61643-11 Type 1+2
SPD to IEC 61643-1 Class I+II
SPD to UL 1449 Type 4
Switching power AC 230 V; 0,5 A
Switching power DC 230 V; 0,1 A / 75 V; 0,5 A
TN network form yes
TN-C-S network form yes
TN-S network form yes
Torque 4 Nm
TOV voltage [L-N] ‒ fail safe mode ‒ 120 min. 440 V
TOV voltage [L-N] ‒ withstand mode ‒ 5 s 335 V
TOV voltage [N-PE] ‒ withstand mode ‒ 200 ms 1200 V
TT network form yes
All types

All types

Types Pole version Maximum continuous voltage AC Protection rating Item no. Quantity SSU
V50-3+NPE+FS-320 3+N/PE 320 V IP20 5093562
1 piece
V50-1+NPE+FS-320 1+N/PE 320 V IP20 5093560
1 piece
Downloads

Download

Download
Download

EU declaration of conformity V50-3+NPE+FS-320 / 5093562 , 0.11MB , pdf
Download

V50-3+NPE+FS-320 / 5093562
Download