Industrial service pole, type ISS160160IP6

Item no. 6290406 | EAN 4012196191451

6290406 / ISS160160IP6 EL
6000 mm
Product description
Product description
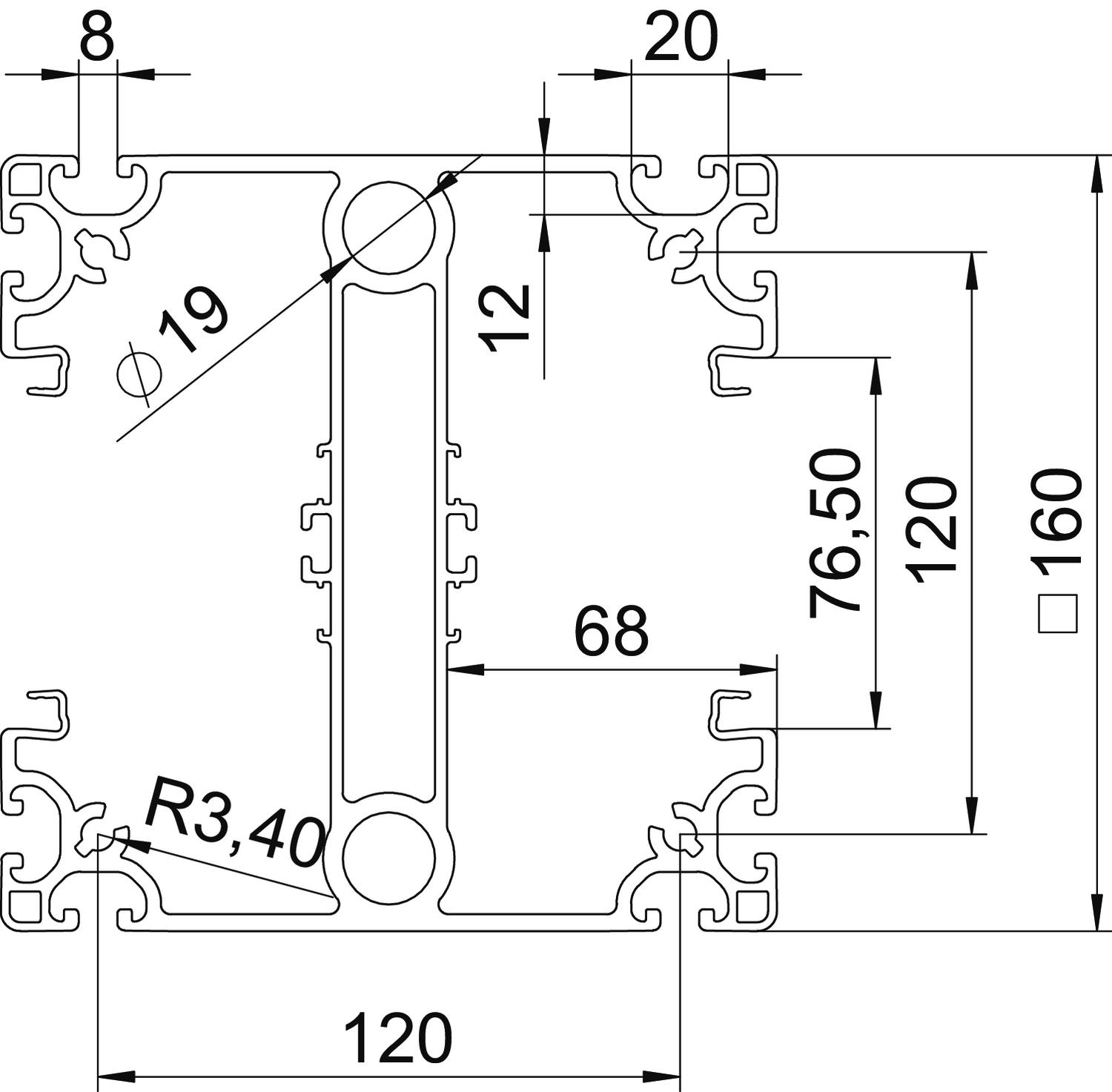
ISS service pole for the equipment of assembly workstations in production sites. The anodised heavy-duty aluminium profile has a 76.5 mm system opening on two opposite sides for accepting front-locking mounting accessory boxes of the series 71GD or mounting supports of the series 71MT. All four sides of the profile have a mounting groove in the standard nominal size 8 for installing various expansion parts for additional functions (Building Kit Systems). The scope of delivery comprises the pole profile as well as the necessary covers for the system openings in 2,000 mm lengths and a PE bag with 20 additional locking brackets, type RKV3V, to enable you to create partial lengths of the covers. Two closed trunking channels inside the profile are ideal for conduction of compressed air.
  • Verband der Elektrotechnik, Elektronik, Informationstechnik e.V., Germany
  • Communautés Européennes, EC declaration of conformity according to EC directives
  • UKCA declaration of conformity
  • CO₂ footprint (PCF)
Technical data

Technical data

Adjustable no
Cable entry Top/bottom
Ceiling mounting yes
Changes according to location no
CO2 Footprint (GWP) Cradle-to-Gate 814,0582 kg CO2e / 1 Piece
Colour aluminium
Continuous profile yes
Cover width 76,5 mm
Dimension 6000x160x160
Fastening type Mounting flange
Floor mounting yes
Halogen-free yes
Height 160 mm
Length 6000 mm
Material Aluminium
Number of compartments 2 St.
Number of usable covers 2
Permitted temperature range, max. 60 °C
Permitted temperature range, min. -25 °C
Pole height, min. 6000 mm
Pole shape Square
Pre-wired no
Protection rating IP30
Protection rating IK code IK10
Surface Anodised
Version for Double-sided
Width 160 mm
All types

All types

Types Length Item no. Quantity SSU
ISS160160IP6 EL 6000 mm 6290406
1 piece
Accessories

System accessories

Products Types Item no. Quantity SSU
Accessory mounting box 71GD6, single Accessory mounting box 71GD6, single 71GD6 6288610
5 piece
Accessory mounting box 71GD7-2, double Accessory mounting box 71GD7-2, double 71GD7-2 6288608
2 piece
Aluminium trunking cover Aluminium trunking cover GA-OTEL 6279723
2 m
Locking bracket RKV3V Locking bracket RKV3V RKV3V 6288700
20 piece
Ceiling fastening for service poles Ceiling fastening for service poles ISS160160DB WA 6290436
1 piece
Floor plate for industrial pole Floor plate for industrial pole ISS160160BP WA 6290416
1 piece
Collision guard for industrial pole Collision guard for industrial pole ISS160160AS WA 6290422
1 piece
Collision guard for industrial pole Collision guard for industrial pole ISS160160AS HRO 6290423
1 piece
Slot nut for industrial pole Slot nut for industrial pole NS8 ST 6290499
10 piece
Compressed air tap for industrial pole Compressed air tap for industrial pole ISS160160DLA 6290495
1 piece
Protective conductor connection bracket Protective conductor connection bracket 8AWR 6288704
10 piece

Mounting accessories

Products Types Item no. Quantity SSU
Partition GK-TW70 Partition GK-TW70 GK-TW70 6274900
2 m
Adapter plate for cable support system Adapter plate for cable support system ISS160160APKTSWA 6290456
1 piece
Downloads

Download

EU declaration of conformity ISS160160IP6 EL / 6290406 , 0.10MB , pdf
Download

ISS160160IP6 EL / 6290406
Download